您好,欢迎您光临常州市利文电机电器厂.

利文电机

LI WEN ELECTOMOTOR

利文电机产品分类

PRODUCT

空气幕电机系列

棣栭〉 > 产品展示 > 空气幕电机系列

详情描述

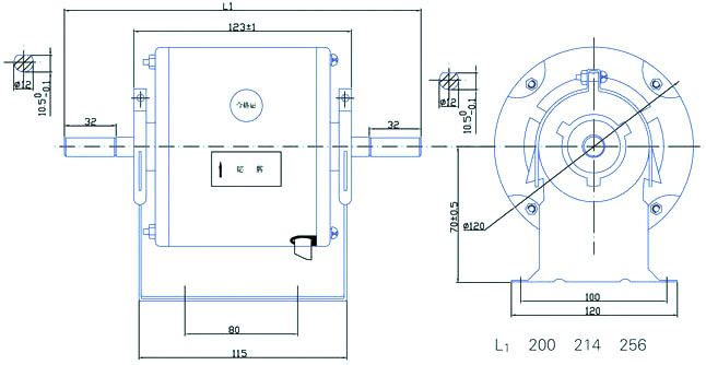
外形及安装尺寸

19.jpg

技术参数


型号电压(V)频率(Hz)标准输出功率极数电容(μF)中心高轴经
YDK-30-2220503024.0105M8
YSK-60-2220506026.0105M8
YSK-60-4220506045.07112
YSK-80-4220508046.07112
YSK-100-42205010046.07112
YSK-120-42205012048.07112
YSK-180-422050180410.07112
YSK-250-422050250412.07112
YSK-280-422050280412.07112
YSK-370-422050370416.07112/14
YSK-400-422050400416.07114/16
YSK-550-422050550416.07114/16


k2.gif

联系我们

公司电话: 0519-88797592  0519-88558023    

公司传真: 0519-88525313

E-Mail: cjlwdj@126.com taoxinke@lanbotc.com

公司地址: 中国江苏省常州市武进区洛阳工业园区

官网二维码
版权所有:常州市利文电机电器厂  苏ICP备09030019号-1